| 型号 | 安装孔尺寸 | 颜色 | 外形尺寸 | 技术参数 |
|---|---|---|---|---|
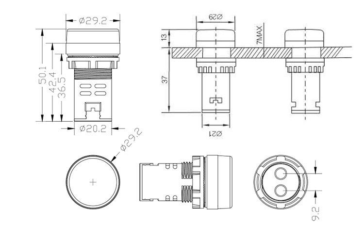
| ADY16-22DYB(交流电压) | 开孔22mm(兼用25mm) | 红 R绿 G黄 Y白 W蓝 B |
|
阻值规格:100M☊at500VDC 测量范围:AC60-500V 介质耐压:≥2500Vrms 50/60Hz 1min 数字显示:000-500(50/60Hz) 测量精度:1% 电气寿命:5万小时以上 接线端子:2*M3.5螺丝 抗震动:10-55Hz双振幅1.5mm 采样周期:0.5s 抗冲击:最大1000m/s 显示方式:3位7LED 环境温度:-25°C~125°C 功率消耗:Ma*10mA 环境湿度:30-80%RH(无凝露、无结冰) |
外形尺寸